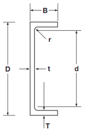
| Type | Weight [kg/m] | Height [mm] | Width [mm] | Web thickness [mm] | Flange thickness [mm] | Depth between fillets |
| | D | B | t | T | d |
| 100 x 50 x 10 PFC | 10.2 | 100 | 50 | 5.0 | 8.5 | 65.0 |
| 125 x 65 x 15 PFC | 14.8 | 125 | 65 | 5.5 | 9.5 | 82.0 |
| 150 x 75 x 18 PFC | 17.9 | 150 | 75 | 5.5 | 10.0 | 106.0 |
| 150 x 90 x 24 PFC | 23.9 | 150 | 90 | 6.5 | 12.0 | 102.0 |
| 180 x 75 x 20 PFC | 20.3 | 180 | 75 | 6.0 | 10.5 | 135.0 |
| 180 x 90 x 26 PFC | 26.1 | 180 | 90 | 6.5 | 12.5 | 131.0 |
| 200 x 75 x 23 PFC | 23.4 | 200 | 75 | 6.0 | 12.5 | 151.0 |
| 200 x 90 x 30 PFC | 29.7 | 200 | 90 | 7.0 | 14.0 | 148.0 |
| 230 x 75 x 26 PFC | 25.7 | 230 | 75 | 6.5 | 12.5 | 181.0 |
| 230 x 90 x 32 PFC | 32.2 | 230 | 90 | 7.5 | 14.0 | 178.0 |
| 260 x 75 x 28 PFC | 27.6 | 260 | 75 | 7.0 | 12.0 | 212.0 |
| 260 x 90 x 35 PFC | 34.8 | 260 | 90 | 8.0 | 14.0 | 208.0 |
| 300 x 90 x 41 PFC | 41.4 | 300 | 90 | 9.0 | 15.5 | 245.0 |
| 300 x 100 x 46 PFC | 45.5 | 300 | 100 | 9.0 | 16.5 | 237.0 |
| 380 x 100 x 54 PFC | 54.0 | 380 | 100 | 9.5 | 17.5 | 315.0 |
| 430 x 100 x 64 PFC | 64.4 | 430 | 100 | 11.0 | 19.0 | 362.0 |